十大足彩平台

精湛的细节

精湛的细节

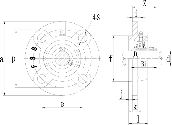
UCFC200

    带座轴承型号    
轴 径尺                    寸螺 栓轴承芯型号
轴承座型号
基本额定载荷
疲劳载荷极限
     极限转速(SRS)
   轴的配合公差(h6)
重量
mminmm / inmmin

动载荷
静载荷
m
dapeilSjkgfZBinCr
Cor
Cur
r / min
≈Kg
KN
UCFC20112 —1007855.11025.5125720.56228.331.012.7M10
UC201FC20412.76.550.2885000.8
UCFC201-8

1/23-15/163-5/642-11/6425/64115/3213/649/3213/162.44091.11421.22050.5000
3/8UC201-8
UCFC202
15
1007855.11025.5125720.56228.3
31.012.7M10

UC202
FC204
12.7
6.55
0.28
8500
0.8
UCFC202-10

5/83-15/16
3-5/64
2-11/64
25/64
1
15/32
13/64
9/32
13/16
2.4409
1.1142
1.2205
0.5000

3/8
UC202-10
UCFC203
17
100
78
55.1
10
25.5
12
5
7
20.5
62
28.3
31.0
12.7
M10

UC203
FC204
12.7
6.55
0.28
8500
0.8
UCFC203-11

11/163-15/16
3-5/64
2-11/64
25/64
1
15/32
13/64
9/32
13/16
2.4409
1.1142
1.2205
0.5000

3/8
UC203-11
UCFC204
20
100
78
55.1
10
25.5
12
5
7
20.5
62
28.3
31.0
12.7
M10

UC204
FC204
12.7
6.55
0.28
8500
0.8
UCFC204-12

3/43-15/16
3-5/64
2-11/64
25/64
1
15/32
13/64
9/32
13/16
2.4409
1.1142
1.2205
0.5000

3/8
UC204-12
UCFC205
25
1159063.610271267217029.734.014.3M10

UC205
FC205
14.007.800.3470001.0
UCFC205-14

7/84-17/323-35/642-1/225/641-1/1615/3215/649/3253/642.75591.16931.33860.5630
3/8
UC205-14
UCFC205-15

15/16UC205-15
UCFC205-16

1UC205-16
UCFC206
30
12510070.710311288238032.238.115.9M10

UC206
FC206
19.5011.200.4863001.4
UCFC206-18

1-1/84-29/323-15/162-25/3225/641-7/3215/325/165/1629/323.14961.26771.50000.6260
3/8
UC206-18
UCFC206-19

1-3/16UC206-19
UCFC206-20

1-1/4
UC206-20
UCFC207
35
13511077.811341489269036.442.917.5M12
UC207
FC207
25.5015.300.6653001.7
UCFC207-20

1-1/45-5/164-21/643-1/167/161-11/3235/645/1611/321-1/323.54331.43311.68900.6890
7/16UC207-20
UCFC207-21

1-5/16UC20721
UCFC207-22

1-3/8UC207-22
UCFC207-23

1-7/16UC207-23
UCFC208
40
14512084.81136141092610041.249.219.0M12
UC208
FC208
30.719.000.8048002.0
UCFC208-24

1-1/25-23/324-23/323-11/327/161-27/6435/6425/6411/321-1/323.93701.62201.93700.7480
7/16
UC208-24
UCFC208-25

1-9/16UC208-25
UCFC209
45
16013293.310381612142610540.249.219.0M14
UC209
FC209
33.221.60.9243002.8
UCFC209-26

1-5/86-5/165-13/643-43/6425/641-1/25/815/329/161-1/324.13391.58271.93700.7480
1/2UC209-26
UCFC209-27

1-11/16UC209-27
UCFC209-28

1-3/4UC209-28
UCFC210
50
16513897.610401612142811042.651.619.0M14

UC210
FC210
35.1023.200.9840003.0
UCFC210-30

1-7/86-1/2
5-7/163-27/3225/641-9/165/815/329/161-3/324.33071.67722.03150.7480
1/2UC210-30
UCFC210-31

1-15/16UC210-31
UCFC211
55
185150106.113431912153112546.455.622.2M16
UC211
FC211
43.6029.001.2536004.0
UCFC211-32

27-9/325-29/324-11/6433/641-11/163/415/3219/321-7/324.92131.82682.18900.8740
5/8UC211-32
UCFC211-34

2-1/8UC211-34
UCFC211-35

2-3/16UC211-35
UCFC212
60
195160113.117481912153613556.765.125.4M16

UC212
FC212
52.7036.001.5334004.7
UCFC212-36

2-1/47-11/166-19/644-29/6443/641-7/83/415/3219/321-27/645.31502.23232.56301.0000
5/8
UC212-36
UCFC212-38

2-3/8UC21238
UCFC212-39

2-7/16UC212-39
UCFC213
65
205170120.216501914153614555.765.125.4M16

UC213
FC213
57.2040.001.7030005.4
UCFC213-40

2-1/28-1/166-11/164-47/645/81-31/323/435/6419/321-27/645.70872.19292.56301.0000
5/8
UC213-40
UCFC214
70
215177125.117541914184015061.474.630.2M16

UC214
FC214
62.4045.001.8628006.8
UCFC214-44

2-3/48-15/326-31/324-59/6443/642-1/83/435/6423/321-9/165.90552.41732.93701.1890
5/8
UC214-44
UCFC215
75
220184130.118561916184016062.577.833.3M16

UC215
FC215
66.3049.002.0426007.3
UCFC215-48

38-21/327-1/45-1/845/642-7/323/45/823/321-9/166.29922.46063.06301.3110
5/8
UC215-48
UCFC216
80
240200141.418582316184217067.382.633.3M20


UC216


FC216
72.8053.002.1624008.9


9-7/167-7/85-9/1645/642-9/3229/325/823/321-21/326.69292.64963.25201.3110
3/4
UCFC217
85
250208147.118632318204518069.685.734.1M20

UC217
FC217
83.2062.002.40220010.4
UCFC217-52

3-1/49-27/32
8-3/16
5-51/64
45/64
2-15/32
29/32
45/64
25/32
1-25/32
7.08862.74023.37401.3425
3/4
UC217-52
UCFC218
90
265220155.522682318205019078.396.039.7M20

UC218
FC218
95.6072.002.70200013.0
UCFC218-56

3-1/210-7/168/21/326-1/855/642-11/1629/3245/6425/321-31/327.48033.08273.77951.5630
3/4
UC218-56
新葡京博彩 美高梅博彩 威尼斯人网上赌场 新葡京博彩 网上赌搏平台网址大全